当前位置 首页 > 产品中心 > 黄铜电极丝

黄铜电极丝 产品参数

状态 型号 线径 线径公差 抗拉强度 延伸率 化学成分 导电率IACS 破断荷重(kgf)
(mm) (N/mm2 (%) (%)
黄铜硬线 P-B-H 0.10 +0/-0.001 ≥980 3 (Cu)63%(Zn)37% 20% 7.709.20(0.750.90)
P-B-H 0.15 +0/-0.001 ≥980 3 20% 17.420.0(1.702.10)
P-B-H 0.20 +0/-0.002 ≥980 3 (Cu)60%(Zn)40% 20% 30.537.0(3.103.70)
P-B-H 0.25 +0/-0.002 980 3 20% 48.157.5(4.905.90)
P-B-H 0.30 +0/-0.002 ≥980 3 20% 62.676.3(6.307.70)
黄铜软线 P-B-M 0.10 +0/-0.001 440-520 15 (Cu)63%(Zn)37% 20% 3.404.12(0.350.40)
P-B-M 0.15 +0/-0.001 440-520 15 20% 7.759.22(0.750.90)
P-B-M 0.20 +0/-0.002 440-520 15 (Cu)60%(Zn)40% 20% 13.816.3(1.401.60)
P-B-M 0.25 +0/-0.002 440-520 15 20% 21.125.5(2.212.60)
P-B-M 0.30 +0/-0.002 440-520 15 20% 31.236.7(3.153.70)

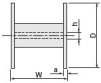
卷轴尺寸

卷重(kg) 卷轴规格 凸缘直径 外宽 凸缘厚度 轴孔直径 线轴图样
D W a h
3 P3 130 110 20 20
5 P5 160 115 25 20
7 P7 160 160 30 22
15 P15 200 200 40 22
20 P20 250 140 30 32

应用案例

Precisionmax  P-B-H(黄铜电极丝硬线)概述:
100%电解铜和电解锌作为原料,导电率IACS≥20%以上。
采用进口设备生产,引进先进排线系统,为模具加工过程中实现平稳放电提供有力保障。
自动化程度高,产品稳定,标准,专供精密模具厂。
垂直度高达98%,自动穿丝性能卓越,加工精度高,适用于所有慢走丝机床生产作业。
线体铜锌合金结晶性能完好,铜粉不易脱落,长时间作业稳定,加工速率高。
线体铜锌合金结晶性能完好,铜粉不易脱落,长时间作业不易断线,加工速率高。

Precisionmax  P-B-M(黄铜电极丝软线)概述:
100%电解铜和电解锌作为原料,导电率IACS≥20%以上。
适用于锥度切割,能有效解决大锥度切割问题,为复杂模具制作提供可靠保证。
采用进口设备生产,引进先进排线系统,为模具加工过程中实现平稳放电提供有力保障。
自动化程度高,产品稳定,标准,专供精密模具厂。
垂直度高达98%,自动穿丝性能卓越,加工精度高,适用于所有慢走丝机床生产作业。
线体铜锌合金结晶性能完好,铜粉不易脱落,长时间作业稳定,加工速率高。
线体铜锌合金结晶性能完好,铜粉不易脱落,长时间作业不易断线,加工速率高。

我们有专业的销售团队为客户服务,包括对慢走丝机床的维护建议。